If there is noise or spurious signals at the comparator inputs, the inputs will detect multiple threshold crossings and the output may toggle multiple times (oscillate) as the thresholds are crossed, causing significant interference to normal signal processing. The solution to this problem is to add voltage hysteresis to the comparator circuit. Therefore, i-CORE has introduced comparators with an internal hysteresis module – the AiP320X series.
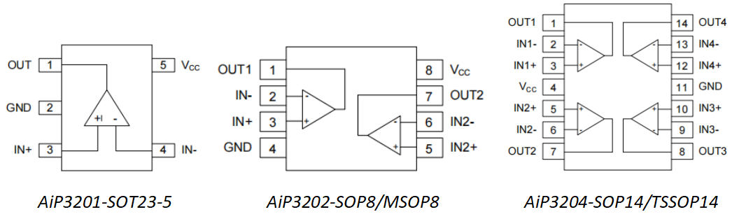
The AiP3201, AiP3202, and AiP3204 are single-channel, dual-channel, and quad-channel push-pull output comparator circuits, respectively. They feature internal hysteresis, low propagation delay, and rail-to-rail inputs. They can be used in detection equipment, high-speed sampling and other systems. Additionally, thanks to their low power consumption, they are widely suitable for portable devices. This series of comparators has an internal hysteresis of 1mV to prevent oscillation caused by noise or other parasitic feedback. Hysteresis in the comparator generates two threshold voltages: one for the rising input voltage and one for the falling input voltage. The difference between these two threshold voltages is the hysteresis voltage, and the average of the two threshold voltages is the offset voltage. When the comparator input voltages are equal, hysteresis effectively allows one input of the comparator to quickly exceed the other, thereby avoiding multiple toggling due to threshold crossings of the input signal. To further increase hysteresis and noise margin, external resistors can be used.
1、Features
Propagation delay: 50ns (Typical)
Input common-mode voltage range: -0.2V to VCC+0.2V
Input offset voltage: 1mV
Push-pull output
Supply voltage range: +2.7V to 5.5V
Ambient temperature range: -40°C to 125°C
02Pin Configurations
AiP3201:SOT23-5/SOT353
AiP3202:SOP8/MSOP8
AiP3204:SOP14/TSSOP14

3、Key parameters of AiP320X series comparators

leave a message